恒压供水是国民生产生活中不可缺少的重要一环。传统供水方式占地面积大,水质易污染,基建投资多,而最主要的缺点是水压不能保持恒定,导致部分设备不能正常工作,此时便需要用到变频调速技术。背负式变频恒压供水系统比传统的铁架式变频机组具有成本上的优势,背负式变频恒压供水机组集成变频器、止回阀、压力罐、传感器于一体可实现自动变频稳压运行,为用户给予舒适的用水体验。其广泛应用于楼宇给水、二次增压、小区及别墅、工业医药,化工、公共医院、学校等场所小型水泵供水系统。
球盟会(中国)EDS310系列变频器已完美搭配各知名品牌水泵,组成背负式变频恒压供水系统,并成熟应用在小区、别墅,建筑工地等场所,使供水系统智能精准,节能降耗,深得用户信赖。

系统配置
每套背负式恒压供水系统采用一台球盟会(中国)EDS310变频器,EDS310出厂配有可移动式安装底板,可适配不同品牌水泵及不同规格压力罐来进行背负安装,也可按用户需求将变频器单独安装在配电箱中。用户顺利获得在变频器面板上操作即可实现各种功能要求及运行模式,可将至少2台最多5台EDS310联机组网供水。

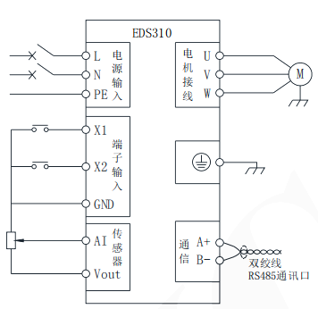
变频器接线示意图

变频器部分参数设置

应用优势
·EDS310采用一体化背负式设计,简约精巧,和水泵搭配浑然一体,节省布线和控制柜成本;防护等级IP54,在潮湿等恶劣环境下可放心使用。
·自带移动式安装底板,可适配各品牌水泵及不同规格压力罐,免去安装烦恼。
·EDS310使供水系统精准智能,节能降耗。具备优秀的软件算法,输出波形平稳,噪音低,使水泵静谧运行;深度优化PID供水控制,快速稳压,启动运行无过压,彻底解决用户热水系统忽冷忽热等现象。实时检测用水情况,用水时启动,不用则及时休眠停机。
·全变频多联机,单机恒压和调频等模式。联机时,可根据用户用水情况自动增减水泵;定时轮泵,平衡水泵运行时间;主机故障时,可自动切换备用主机,保证系统用水正常,延长系统使用寿命。
·面板同时显示设定和反馈压力,且支持快捷调试功能。操作键盘按键即可切换电机转向、恒压供水、紧急供水,常用压力表量程,省去换线和修改参数等不便操作,使用便捷。
·EDS310具备高低压、缺水检测报警、防锈防冻、过流、过压、欠压、过载等保护功能。实现全方位保护水泵和管网,使系统运行稳定可靠。
4000-711-088
深圳市南山区桃源街道丽山路大学城创业园1503室
0755-26985120
info@xtrlyy.com